Töltse le a Sonepar Shop mobilalkalmazását!Mobilalkalmazás letöltése

kezdőlap

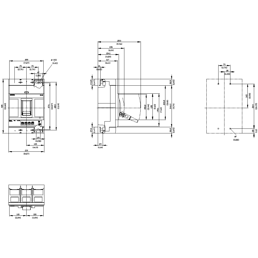
SIEMENS - KOMPAKT MEGSZAKÍTÓ_IEC_FS1000_800A_3P_110KA_ETU3_LIG IP40 SX030208 - 3VA2580-7HM32-0AA0

MásolásMásolás

Ár- és raktárinformációk megtekintéséhez kérjük, jelentkezzen be!

Specifikációk

  • Névleges tartós áram (Iu) - 800 A

  • Névleges rövidzárlati kikapcsoló határáram Icu 400 V, 50 Hz esetén - 110 kA

  • Névleges feszültség - 690-690 V

  • Túlterhelés-kioldó beállítási tartománya - 320-800 A

  • Készülék felépítése - beépítő egység rögzített beépítési technika

Csomagolás és feltételek

  • 1 darab

  • Nem visszaküldhető termék

Vonalkód

Sonepar cikkszám

SX030208

Gyártói cikkszám

3VA2580-7HM32-0AA0

Gyártói típuskód

3VA2580-7HM32-0AA0

Névleges tartós áram (Iu):

800 A

Névleges rövidzárlati kikapcsoló határáram Icu 400 V, 50 Hz esetén:

110 kA

Névleges feszültség:

690-690 V

Túlterhelés-kioldó beállítási tartománya:

320-800 A

Készülék felépítése:

beépítő egység rögzített beépítési technika

Csatlakozási mód fő áramkör:

csavaros csatlakozás

Pólusszám:

3

Beállítási tartomány késleltetés nélküli rövidzárkioldóhoz:

1200-8000 A

Integrált földzárlat védelem:

Igen

Kalapsínre szereléshez alkalmas:

Igen

Kalapsín szerelés opcionális:

Nem

Segédérintkezők száma, nyitó:

0

Segédérintkezők száma, záró:

0

Segédérintkezők száma, váltó:

0

Kioldva-kijelzővel ellátva:

Nem

Beépített kisfeszültségű kioldóval:

Nem

Csatlakozók elhelyezkedése a fő áramkörhöz:

elöl

Veszteségi teljesítmény:

231 W

Igazoló elem típusa:

billenő

Komplett készülék védőegységgel:

Igen

Integrált motormeghajtás:

Nem

Motorhajtás opcionális:

Nem

Védettség (IP):

IP40

megszakító 3VA2 IEC Keret 1000 megszakítóképesség C osztály Icu=110 kA @ 415 V 3 pólusú, vonalvédelem ETU330, LIG, In=800 A túlterhelés elleni védelem Ir=320 A...800 A rövidzárlat védelem Ii=1,5...10 x In földzárlat védelem I1 x=0.2 tg=0,1/0,3s anyatartó